Redstone Concentrated Solar Thermal Power Project

  • Date of Steelwork Completion
    2024-10-01
Project Type
Project Team Interview Case Study
Location
Steel Profiles Used
  • Date of Steelwork Completion
    2024-10-01
  • Tonnage
    9000
Light Steel Frame Building Overview
  • Date of LSFB Completion
    2024-10-01
  • Cladding Tonnage
    2865
Project Overview

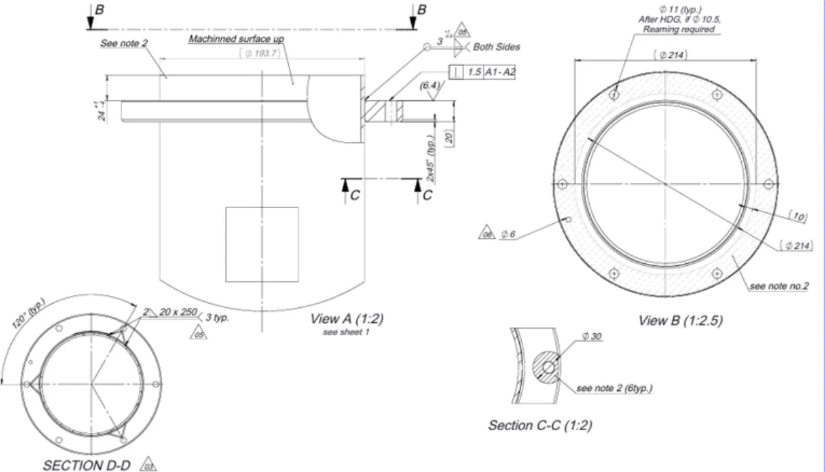
A Concentrating Solar Power (CSP) heliostat is a complex set of requirements that focuses on cost reduction, performance optimisation, and durability. It addresses the design of the individual mirror unit as well as its integration into a larger solar field. The structural framing of a Concentrated Solar Power plant is a complex engineering feat de

Project Details
The fabrication and erection of a CSP plant is a highly complex and challenging process, demanding precision engineering, advanced logistics, and a combination of conventional and innovative construction techniques. The steel frames that support the mirrors (pylons, torque tubes and support arms) are fabricated with precision to ensure a perfect fi
Late delivery from suppliers of steel, change of design from the client, welding defects and strikes that affected our loads to site, meeting demanding schedules. We changed route to site to avoid strikes, opted for different supplier of tubes, adjusted machines to fit new designs and worked double shifts to meet production targets.
Benefits of Steel in this Application

A Concentrated Solar Power (CSP) project highlights the benefits of steel as a material due to steel's strength, durability, and resistance to extreme conditions. These properties make it ideal for the heliostats (mirrors) and the central tower that are the core of a CSP plant.